spojka zustava zamacknuta
Moderátor: Vena garážmistr
Re: spojka zustava zamacknuta
Vážení, tak mám taky problém se samostavem (při sešlápnutí pedálu v něm lupe). Chtěl bych tam dát lanko s ručním seřizováním. Našel jsem dvě varianty. Jedno za (asi) 950 Kč a druhé okolo 1350 Kč. Neví někdo jaký je mezi nimi rozdíl.
Re: spojka zustava zamacknuta
Tak problém se spojkou vyřešen. Picasso dostalo nové spojkové lanko, ale bez samostavu. S ručním seřizováním. Už nelupe. 
Re: spojka zustava zamacknuta
To se nechá použít klasické lanko? Já jak mám teď to nové lanko (se samostavem) a spojku, tak mi zabírá docela dost nahoře a prý s tím nejde díky samostavu nic udělat. 
Re: spojka zustava zamacknuta
Mne /bratovi/ na picasse zas zaberá tesne nad podlahou.
C4 | 1,6 HDi | rv 2006
Re: spojka zustava zamacknuta
moje zkušenost:
Mne se nedávno stalo to, že jsem musel na dálnici prudce zabrzdit (dupnout na brzdu a spojku) od té doby jsem cítil, že se spojkový pedál nezvedal do stejné výšky. Asi po 20 km po sjezdu z dálnice zvedal asi jen do poloviny a onedlouho na križovatce při rozjezdu a snahe rozjet se ozvalo lup a zůstal na podlaze se zařazenou rychlostí. Pak jsem ho ručně zvedl. Dobrý. Zajel jsem bokem a na místě mačkal pedál nohou. V pohodě. Pak jel po parkovišti na 1. a 2. v pohodě. Pak jedu teda dál cca 200 metrů a po chvíli znovu na podlaze. Znova jsem ho zvednul a auto nechal na místě. Radši jsem ho dal do servisu (v Itálii) technik vyměnil lanko a tvrdil, že na další jízdu je to riziko, tak doporučoval vyměnit i spojku. Vzhledem ke stížené situaci jsem to radši nechal udělat i když si myslím, že problém musel být pouze na straně u pedálu spojky. Jakoby tam konec lanka vyskočil z nějakého uchycení. Protože pedál spojky byl na podlaze, ale u motoru druhý konec spojkového lanka byl v poloze jakoby za normálního stavu nebyl´zmáčknutý pedál. Po výměne spojky mi servisák ukazoval ve spojce chybějící kuličky v ložisku, no nevím jestli jim pomohl ven, nebo tam byl skutečně problém.
Mne se nedávno stalo to, že jsem musel na dálnici prudce zabrzdit (dupnout na brzdu a spojku) od té doby jsem cítil, že se spojkový pedál nezvedal do stejné výšky. Asi po 20 km po sjezdu z dálnice zvedal asi jen do poloviny a onedlouho na križovatce při rozjezdu a snahe rozjet se ozvalo lup a zůstal na podlaze se zařazenou rychlostí. Pak jsem ho ručně zvedl. Dobrý. Zajel jsem bokem a na místě mačkal pedál nohou. V pohodě. Pak jel po parkovišti na 1. a 2. v pohodě. Pak jedu teda dál cca 200 metrů a po chvíli znovu na podlaze. Znova jsem ho zvednul a auto nechal na místě. Radši jsem ho dal do servisu (v Itálii) technik vyměnil lanko a tvrdil, že na další jízdu je to riziko, tak doporučoval vyměnit i spojku. Vzhledem ke stížené situaci jsem to radši nechal udělat i když si myslím, že problém musel být pouze na straně u pedálu spojky. Jakoby tam konec lanka vyskočil z nějakého uchycení. Protože pedál spojky byl na podlaze, ale u motoru druhý konec spojkového lanka byl v poloze jakoby za normálního stavu nebyl´zmáčknutý pedál. Po výměne spojky mi servisák ukazoval ve spojce chybějící kuličky v ložisku, no nevím jestli jim pomohl ven, nebo tam byl skutečně problém.
Re: spojka zustava zamacknuta
Zdravím,
Sice nevím o kuličkách u spojky, ale člověk nemůže vědět všechno
Každopádně doporučuji vyměnit lanko se samostelem za lanko bez něj a je po problému. Na funkci spojky se nic nezmění .
Sice nevím o kuličkách u spojky, ale člověk nemůže vědět všechno
Každopádně doporučuji vyměnit lanko se samostelem za lanko bez něj a je po problému. Na funkci spojky se nic nezmění .
Re: spojka zustava zamacknuta
Na mojom Picasse 2.0HDI z 2002 roku mi na križovatke pri rozbehu zostal pedál spojky na podlahe. Prasknuté lanko? Alebo to tiež môže byť iba ten samoštel?
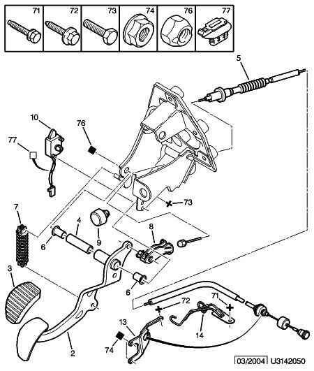
Nemá niekto obrázok, ako je to lanko prichytené k pedálu?
Nemá niekto obrázok, ako je to lanko prichytené k pedálu?
teraz: C5 II 2.0 HDi Break 2005 / C8 2.2 HDi 2002 / Xsara Picasso 2.0 HDi 2003 / Grand Picasso 2.0 HDi 2015
- Havlicek.Lukas
- Příspěvky: 7425
- Registrován: sob 17. říj 2009 16:11:08
- Bydliště: Kolín
- Kontaktovat uživatele:
Re: spojka zustava zamacknuta

bejvávalo: C4 1.6 HDi 66kw > C4 1.4i > Felicia 1.3 GLXi > Saxo 1.0i > Saxo 1.4i > Evasion 2.0i > C4 1.6 HDi 80kW FAP
současnost: ___________
současnost: ___________
Re: spojka zustava zamacknuta
Lukáši, super, ďakujem!
teraz: C5 II 2.0 HDi Break 2005 / C8 2.2 HDi 2002 / Xsara Picasso 2.0 HDi 2003 / Grand Picasso 2.0 HDi 2015